航智霍尔替代型电流传感器系列新品全面上线
2020-03-16
中国电源产业网
导语:一场突如其来的疫情,似乎一切都被按了暂停键。但是,乌云遮不住升起的太阳,疫情挡不住春天的来临。春天的脚步已准时走来,春回大地,阳光普照,蛰伏了一冬的万物开始新生。航智也迎来了蛰伏后的蓄势而发。经过不断的积极探索和改进,航智的2020年新品—HIT系列霍尔替代型电流传感器整装完毕,全面上线。
一场突如其来的疫情,似乎一切都被按了暂停键。但是,乌云遮不住升起的太阳,疫情挡不住春天的来临。春天的脚步已准时走来,春回大地,阳光普照,蛰伏了一冬的万物开始新生。航智也迎来了蛰伏后的蓄势而发。经过不断的积极探索和改进,航智的2020年新品—HIT系列霍尔替代型电流传感器整装完毕,全面上线。

市场上电流传感器有多种类型,如霍尔传感器、电子式互感器等。目前电流传感器多是以电磁耦合为基本工作原理的,采用霍尔元件为核心的检测原理,而我司推出的霍尔替代型磁通门电流传感器以磁通门技术为基本原理,加上闭环控制在电子电路中的应用,其测量精度远高于霍尔电流传感器。
以下从原理和结构两个方面对航智HIT系列霍尔替代型电流传感器和霍尔电流传感器进行分析。
霍尔电流传感器
霍尔电流传感器分为开环式霍尔电流传感器和闭环式霍尔电流传感器。
开环式霍尔电流传感器工作原理
开环式霍尔电流传感器也称直放式霍尔电流传感器、直检式霍尔电流传感器。

如上图,开环式霍尔电流传感器由磁芯、霍尔元件和放大电路构成。磁芯有一开口气隙,霍尔元件放置于气隙处。当原边导体流过电流时,在导体周围产生磁场强度与电流大小成正比的磁场,磁芯将磁力线集聚至气隙处,霍尔元件输出与气隙处磁感应强度成正比的电压信号,放大电路将该信号放大输出,该类传感器通常输出±10V左右的电压信号,也有部分传感器为了增强电磁兼容性,变换为电流信号输出。
闭环式霍尔电流传感器工作原理
闭环式霍尔电流传感器也称零磁通霍尔电流传感器、零磁通互感器、磁平衡式霍尔电流传感器。

如上图所示,闭环式霍尔电流传感器包括磁芯、霍尔元件、放大电路和副边补偿绕组。与开环式霍尔电流传感器相比,闭环式霍尔电流传感器多了副边补偿绕组,正是副边补偿绕组,将闭环式霍尔电流传感器的性能进行了大幅度提升。放大电路接受霍尔元件的输出,并放大为电流信号提供给副边补偿绕组,副边补偿绕组在磁芯中产生的磁场与原边电流产生的磁场在气隙处大小相等,方向相反,抵消原边磁场,形成负反馈闭环控制电路。若副边电流过小,产生的磁场不足以抵消原边磁场,放大电路将输出更大的电流,反之,放大电路输出电流减小,从而维持气隙处的磁场平衡。
若原边电流发生变化,气隙处磁场平衡被破坏,负反馈闭环控制电路同样会调节副边输出电路,使磁场重新达到平衡。宏观上讲,气隙处将一直维持零磁通,保持磁平衡,这也是零磁通互感器及磁平衡霍尔电流传感器名称的来由。
HIT系列霍尔替代型电流传感器
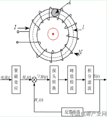
HIT系列霍尔替代型电流传感器是磁通门原理电流传感器,磁通门电流传感器是利用被测磁场中高导磁率磁芯在交变磁场的饱和激励下,其磁感应强度与磁场强度的非线性关系来测量弱磁场的。这种物理现象对被测环境磁场来说好像是一道“门”,通过这道“门”,相应的磁通量即被调制,并产生感应电动势。利用这种现象来测量电流所产生的磁场,从而间接的达到测量电流的目的。

电流传感器的系统如上图所示。电流所产生的磁场在磁通门探头内经激励信号调制后,通过峰值检波和积分滤波电路产生有用的电压信号,然后经过反馈,使电流传感器工作在零磁通状态。
当磁通门式电流传感器工作时,激励线圈中加载一固定频率、固定波形的交变电流进行激励,使磁芯往复磁化达到饱和。在不存在外在电流所产生的被测磁场时,检测线圈输出的感应电动势只含有激励波形的奇次谐波,波形正负上下对称。当存在直流外在被测磁场时,磁芯中同时存在直流磁场和激励交变磁场,直流被测磁场在前半周期内促使激励场使磁芯提前达到饱和,而在另外半个周期内使磁芯延迟饱和。因此,造成激励周期内正负半周不对称,从而使输出电压曲线中出现振幅差。该振幅差与被测电流所产生的磁场成正比,因此可以利用振幅差来检测磁环中所通过的电流。
磁通门电流传感器与霍尔电流传感器的主要区
磁通门电流传感器与霍尔电流传感器的主要区别
带宽区别:微观上讲,磁通门测量磁场的门始终处在零磁通附近变化,加之多闭环控制电路,磁场变化幅度非常小,变化的频率可以更快,因此,磁通门电流传感器具有很快的响应时间。实际的磁通门电流传感器带宽通常可以达到500kHz以上。而开环式霍尔电流传感器的带宽通常较窄,在3kHz左右。闭环霍尔电流传感器也只能达到100kHz。
精度区别:开环式霍尔电流传感器副边输出与磁芯气隙处的磁感应强度成正比,而磁芯由高导磁材料制作而成,非线性和磁滞效应是所有高导磁材料的固有特点,因此,开环式霍尔电流传感器一般线性度较差,且原边信号在上升和下降过程中副边输出会有不同。开环式霍尔电流传感器精度通常低于1%。闭环式霍尔电流传感器由于工作在零磁通状态,磁芯的非线性及磁滞效应不对输出造成影响,可以获得较好的线性度和较高的精度。闭环式霍尔电流传感器精度最高可达0.2%。而航智推出的霍尔替代型磁通门电流传感器,采用我司自主知识产权的三大核心关键技术可以达到0.05%的精度。
零漂温漂及抗干扰能力区别:在测量磁场的各种元器件中,霍尔元件不够敏感,而且由于霍尔器件的安装位置是在磁芯气隙中,需要断开磁芯,因而灵敏度和解析度更大大降低,导致零漂和温漂比较大,抗干扰能力比较差。而航智推出的霍尔替代型磁通门电流传感器,采用完整的磁芯结构,不存在磁芯的切口,无气隙,因而抗干扰能力强,其敏感性也远高于霍尔效应,有极低的零漂和温漂。
HIT系列霍尔替代型电流传感器三大核心技术
1、采用激磁闭环控制技术,与传统方案比省去了复杂的磁屏蔽系统设计。
2、采用自激退磁技术,零漂小,拓展了量程宽度,原来用两个传感器解决的问题,现在只需要一个传感器。
3、采用多闭环控制方法,实现对激励磁通、直流磁通、交流磁通的零磁通闭环控制,并通过构建高频纹波感应通道实现对高频纹波的检测,从而使传感器在全带宽范围内拥有很高的增益和测量精度。
全新HIT系列磁通门电流传感器,是航智推出的霍尔替代型磁通门电流传感器。该系列产品对标闭环霍尔电流传感器,在性能上完美PK霍尔电流传感器。HIT系列传感器精度可达0.05%,而闭环霍尔效应电流传感器只有0.2%;带宽方面,HIT系列传感器可达500kHz以上,比闭环霍尔电流传感器提高了至少5倍。该系列产品型号有:HIT50、HIT100、HIT200、HIT300、HIT500、HIT600,可对50A到600A的DC、AC和脉冲电流进行测量。
简而言之,HIT系列传感器是霍尔效应电流传感器的绝佳替代,是追求高性价比的最佳选择,同时,也是加速“高精度直流传感器普及时代”的最强助力。
来源:《电源工业》
标签:
相关信息
MORE >>-
海德新能源科技—全链赋能·共赢蓝海
在“双碳”战略纵深推进与新能源汽车爆发式增长的双重浪潮下,充电桩产业已成为万亿级黄金赛道,市场需求持续井喷、发展前景无可限量。深圳市海德新能源科技有限公司,作为深耕充电领域多年的国家级高新技术企业,凭借源头工厂实力、全链条服务能力与开放共赢理念,现面向全国广发英雄帖,诚邀各类资源伙伴携手,共拓新能源充电蓝海,轻松共享时代红利!
-
全线网统一管控·智慧化主动运维 | 科华智慧城轨电源管理方案赋能福州地铁!
科华数据打造地铁电源线网级智能监控平台,从操作系统、数据库到监控软件,构建全链条国产化技术平台,实现核心技术自主掌控,打造坚实可靠的安全底座。置身“十五五”规划谋篇布局之期,交通强国战略纵深推进。我国明确提出加快交通基础设施数字化、智能化升级。智慧城轨建设更是驶入了快车道。
-
让“瓦特”变“比特”,算电协同如何重塑数据中心能源底座
骏森明作为华为数字能源钻石级合作伙伴,在算电协同领域已深耕多年,围绕“源网荷储算”一体化方向,形成从绿电接入、储能配置到算力调度、智能运维的全链路能力。
-
精效科技以硬核技术,解锁污水治理全流程节能新范式
精效悬浮(苏州)科技有限公司,始终坚持核心技术自主可控,持续突破悬浮流体装备的技术壁垒,以国产化的高端产品与全周期服务,为污水处理行业客户提供定制化的节能解决方案。
-
ESPEC条码操作系统:聚焦测试要素的快速记录与完整追溯,防止过程遗漏,确保程序设错问题始终有据可查
爱斯佩克成立于1947年,近70年来一直致力于环境可靠性试验仪器的研发、制造和销售,并在世界范围内铸就了品质卓越、技术精良的品牌形象。
-
集装箱式SST直流移动智算中心
3月28日,台达、汉腾科技与龙芯中科联合宣布重磅发布集装箱式 SST(固态变压器)直流移动智算中心,发布活动于台达吴江制造基地举行。这款全新方案以台达 SST 固态变压器为核心能源支撑,深度集成CPU、AI 加速卡与服务器硬件,打造出从电网到芯片的全栈算力基础设施解决方案。




中国电源产业网网友交流群:2223934、7921477、9640496、11647415