直流微网中混合储能系统的无互联通信网络功率分配策略
2017-06-09
中国电源产业网
导语:北京交通大学国家能源主动配电网技术研发中心、北京电动车辆协同创新中心、丹麦技术大学电气工程学院的研究人员杨捷、金新民、吴学智、陈美福、V G Agelidis,在2017年第10期《电工技术学报》上撰文指出,直流微网中通常采用混合储能系统作为缓冲环节,对分布式能源和负载引起的不同时间尺度功率波动进行补偿。
北京交通大学国家能源主动配电网技术研发中心、北京电动车辆协同创新中心、丹麦技术大学电气工程学院的研究人员杨捷、金新民、吴学智、陈美福、V G Agelidis,在2017年第10期《电工技术学报》上撰文指出,直流微网中通常采用混合储能系统作为缓冲环节,对分布式能源和负载引起的不同时间尺度功率波动进行补偿。
为实现功率在能量密度型储能元件和功率密度型储能元件之间合理分配,提出无互联通信网络的分层控制策略。其中,底层控制以电压变化率作为虚构的信息载体,通过设置不同储能接口变换器输出电压关于功率的“灵敏度”,确保超级电容在负载突变瞬间能够提供大部分功率;二次控制对底层控制产生的稳态误差进行补偿,以实现输出电压稳定,并保证超级电容稳态电流为零。
在此控制框架下,各储能单元仅需本地信号即可实现自主协调运行,避免了互联通信网络所带来的经济性和可靠性问题。最后,实验结果验证所提方法的可行性和有效性。
作为分布式能源有效的整合形式,直流微网以其效率高、可靠性高、经济性高等优点被广泛关注[1,2]。由于分布式能源的间歇性会严重影响系统的稳定运行,因此直流微网中通常需要配置储能系统进行补偿[3,4]。直流微网中各储能单元分布式地并联接入公共直流母线,如何实现不同单元之间功率合理分配是储能系统协调控制的重要目标[5,6]。
根据对通信网络的依赖程度,储能系统功率分配策略可以分为无互联通信网络控制和借助互联通信网络控制:前者一般采用下垂机理,以母线电压为“信息载体”,各单元仅利用本地信息即可实现自治管理[7,8];后者利用通信网络获取来自中央控制器的指令或其他单元的信息,对下垂控制精度上的缺陷进行补偿[9-11]。然而,通信网络会给微网系统带来冗余与成本问题。
为此,本课题组在文献[12]中通过引入新的信息载体,提出了一种无需互联通信网络的功率分配策略,该方法在改善分配精度的同时,保证了微网系统的可靠性、经济性以及可扩展性。
上述方法都是围绕储能系统稳态功率的分配问题展开讨论,研究对象主要是蓄电池等能量密度型储能元件。但是受化学反应速度的限制,蓄电池功率密度比较小,当负载发生突变时,无法对目标功率进行快速吞吐,难以满足系统的动态要求[13];超级电容充放电过程是物理变化,可在短时间内提供较大功率[14]。
蓄电池和超级电容具有很强互补性,二者构成的混合储能系统(Hybrid Energy StorageSystems, HESS)可以满足微网不同时间尺度的功率需求,同时可以有效改善蓄电池的使用寿命[15]。
混合储能系统的功率分配策略核心任务就是让高能量密度的蓄电池响应低频功率需求,而高功率密度的超级电容则快速吸收或释放高频目标功率[16]。最常见的HESS功率分配技术是基于滤波器的控制[17-19],此类方法是让目标功率经过中央控制器的低通滤波环节和高通滤波环节,滤波结果作为输出功率指令分别发送至蓄电池和超级电容。
另一种常见的HESS控制方法是规则型控制[20,21],即根据各种功率波动状态,预先设置不同模式下的专家规则信息库以及对应蓄电池和超级电容充放电控制算法。文献[22,23]提出了基于小波包分解的不同频段功率信号的提取方法。
在此基础上,文献[24]采用模糊机制对混合储能系统的电荷状态进行自适应控制,实现对指令的二次修正。作为人工智能领域的研究重点,人工神经网络(ArtificialNeural Network, ANN)也被应用到HESS控制系统当中,文献[25,26]分别利用离线仿真和动态规划算法寻找HESS不同功率波动下最优决策序列,并利用离线优化结果,对记忆力和自学能力俱佳的ANN进行学习训练,使其升级成为在线的HESS智能控制系统。
模型预测控制是近几年HESS功率分配策略研究的热点[27,28],蓄电池/超级电容的控制信号是通过优化有限时域的未来目标函数而获得,可以系统有效地解决含多种状态和控制约束的最优问题。另外,粒子群优化[29]、蛙跳算法[30]以及模糊神经控制器[31]等高级算法也被学者们移植到HESS控制中。
然而,上述方法均存在缺陷,从而限制了混合储能系统的应用与发展。
①控制算法相对复杂,并且需要获取准确的系统知识(总功率需求、拓扑结构、硬件参数等),微网的扩展和重构都会导致运算负担增加,甚至需要重新设计控制系统。
②蓄电池/超级电容必须依赖中央控制器和通信网络实现功率指令的分解和传递,中央控制器的单点故障和通信延迟都会引起系统的崩溃。
③各储能单元被动接受外部功率指令,工作于电流控制模式(Current ControlMode, CCM),不符合微网“即插即用”(plug and play)的要求[32]。文献[33]将低通和高通滤波器嵌入至下垂控制中,各单元工作于电压控制模式,无需通信网络进行信息传递,但PI控制环和高通滤波器级联的正向通路会导致稳态时仍有电流流过超级电容。
为解决上述问题,本文在文献[12]的基础上,提出一种适用于混合储能系统的无互联通信的功率分配策略。文中所提控制采用分层控制结构:底层控制以电压变化率作为全局信息载体,在没有通信网络和中央控制器的条件下,即可实现蓄电池/超级电容动态功率的合理分配;二次控制针对底层控制造成的稳态误差进行修正补偿,消除超级电容中的稳态电流。
整体控制框架不要求不同单元之间信息的共享,避免了通信网络带来的可靠性和经济性问题。另外,该方法的控制算法简单,易于实现,而且无需中央控制器及系统知识,可确保微网系统拥有良好的可扩展性。
本文对该方法进行了详细的分析,通过理论和实验证明了该方法的有效性。
系统描述
图1为含混合储能系统的直流微网结构图,其中风力机组、光伏池板等分布式能源运行于最大功率点跟踪模式,为电动汽车、LED灯等负载提供低碳电能;由蓄电池和超级电容互补形成的混合储能系统负责补偿微网中不同时间尺度的源-荷功率差额。
图1 含混合储能系统的直流微网典型结构图

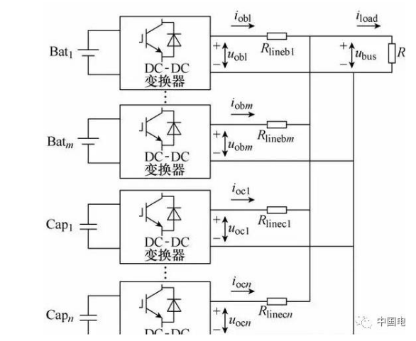
为便于控制系统的分析与设计,直流微网系统可以简化为图2[34],其中HESS包含m组蓄电池,n组超级电容,各单元都是通过DC-DC变换器并联接入直流母线。iox是变换器输出电流(脚标x可指代b和c,分别代表蓄电池Bat和超级电容Cap对应的参数,下同),uox为变换器输出直流电压,ubus为直流母线电压,Rlinex是变换器输出端到直流母线的线路阻抗。
图2 含m组蓄电池、n组超级电容的直流微网简化模型

混合储能系统无通信网络功率分配(略)
实现蓄电池/超级电容功率合理分配是混合储能系统控制的主要目标,传统HESS控制方法中互联通信网络的延迟和中央控制器复杂的算法都制约着微网系统的扩展和可靠运行。下文将围绕无互联通信网络的HESS功率分配策略进行详细阐述。
实验验证(略)
为对理论分析结果进行实验验证,本文搭建了含有蓄电池/超级电容混合储能系统的直流微网实验平台,如图8所示。LiFePO4电池、超级电容作为混合储能系统的电源输入,经过双向Boost DC- DC双向变换器接入直流母线,为电阻负载Rload提供电能。
所提分层控制系统建立于Matlab/Simulink,并在DSpace DS1006中进行编译以实现对上述硬件平台的实时控制。系统详细参数见表1。
图8 含储能系统的直流微网实验平台

表1 混合储能系统实验平台参数

结论
本文围绕直流微网混合储能系统动态功率分配问题展开研究,并得到如下结论:
1)将电压变化率虚构成为全局统一的通信载体,可以把传统电压控制从稳态推广至动态维度,通过灵敏度的设置实现了蓄电池/超级电容间动态功率的合理分配;在蓄电池控制中加入二次调节,可以消除底层控制的稳态误差,促使系统电压稳定,并且确保了稳态时超级电容中不存在电流。
2)所提分层控制框架无需互联通信设备,有效地提高了混合储能系统的经济性和可靠性,符合微网中即插即用的要求。
3)在建立控制模型的基础上,给出了控制参数取值关于线路阻抗、调节时间的约束条件;实验结果证明了理论分析的正确性,并且为混合储能系统功率分配提供了一种行之有效的方案。
来源:
标签:
上一篇:多国政府将推出电动汽车倡议
下一篇:闪充锂电池,5分钟满格上路
相关信息
MORE >>-
充电站充电平台收费及运营策略对比
国内主流充电平台(国家电网e充电、小桔充电、蔚景云、特来电、星星充电、云快充、南方电网、汇充电、车电网等)的收费政策、占位费规则、运营策略及省份布局的深度对比分析,综合了各平台最新动态与行业趋势。
-
聊聊刀片电池的BMS采样板连接方式
刀片电芯是最近几年在汽车电池包上应用得比较广泛的产品,作为一种新的产品应用,它给BMS采样板也带来了一些新的使用场景。
-
BMS电池管理系统都管了些啥?
BMS主要负责监测电池组的电压、电流、温度等关键参数,可实现调节电池电压均衡、控制电池的充放电过程、SOC的估算、SOH和SOP的状态监测、温度监控、故障诊断与保护等功能。
-
案例分析:从钳位电路引出的BMS电源电压抬升问题
对于SBC来讲,其上的线性电源被用来给一些数字电路供电,或被当成参考电压源,但是这些线性电源可能也不具有灌电流的能力,外部输入的信号如果钳位到此电源或者上拉到此电源,就会产生电压抬升的问题。
-
新能源未按要求配储,不得并网,不予调度?支持还是反对?听听各方的声音
市发改委及有关部门下一步,将继续做好新能源产业发展有关工作,围绕“风光氢储”等新能源应用场景,构建多元支撑的现代产业体系,为我市重振雄风贡献能源力量。
-
案例分析:BMS电气测试中短路保护测试出现的硬件故障
作者举例子来说明在电气测试中的短路保护测试中出现过的问题,请参考。




中国电源产业网网友交流群:2223934、7921477、9640496、11647415